Last Updated on 2026-01-31 by researcher
コンデンサを使ったDCDC昇圧回路の忘備録。実際に動作するか試してないので妄想的回路かもしれないことに注意!
【基本の2倍昇圧回路】
C1が充電/放電を繰り返す回路。ちなみにD2がないと無限に昇圧(ロスがなければ)しそうな気がするが???

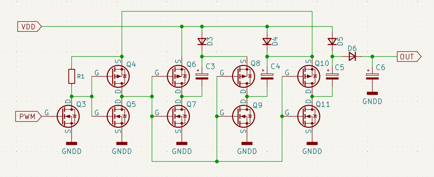
【並列充電/直列放電する4倍昇圧回路】
C3/C4/C5を並列充電/直列放電する回路。

【放電が途切れない2倍昇圧回路】
C7/C8が交互に充電/放電を行う回路。放電が途切れないので効率よさげ。但し、PWMデューティは50%固定にする必要あり。

